Performance of cobalt silica membranes in gas mixture separation
Dec 31, 2008·,,
,,,,·
0 min read
S. Battersby
T. Tasaki
S. Smart
Prof. Dr. Bradley P. Ladewig
S. Liu
M. C. Duke
V. Rudolph
J. C. Diniz da Costa

Abstract
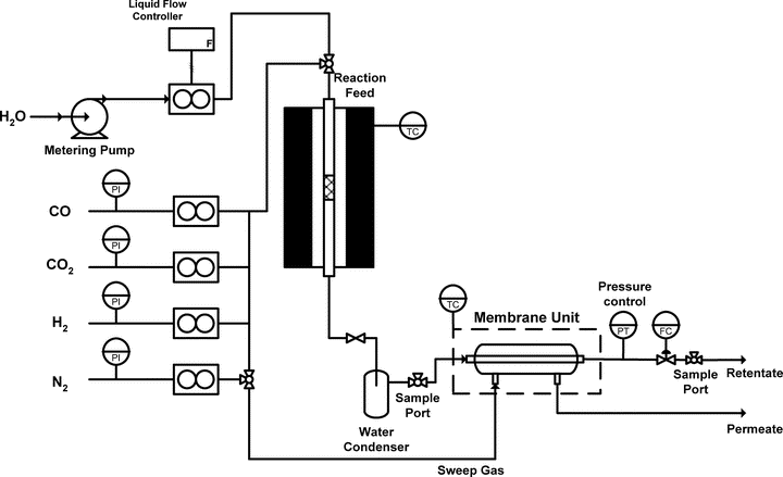
In this work we investigate the performance of cobalt silica membranes for the separation of gas mixtures at various temperatures and partial pressures. The membranes were prepared by a sol–gel process using tetraethyl orthosilicate (TEOS) in ethanol and H2O2 with cobalt nitrate hexahydrate (Co(NO3)26H2O). The membranes complied with molecular sieving transport mechanism, delivering high single gas selectivities for He/N2 (4500) and H2/CO2 (1000) and high activation energy for the smaller gas molecules (He, H2) whilst a negative activation energy for larger molecules (CO, CO2 and N2). Molecular probing results strongly suggest membranes with a narrow pore size distribution with an average pore size of 3 Å. The effect of gas composition on the membrane operation was studied over both binary and ternary gas mixtures, and compared with the single gas permeance results. It was found in both cases feed concentration had a large impact on both selectivities and flow rates. These followed a trade off inverse relationship, as increasing H2 feed concentration led to a higher flow rate but a lower H2 selectivity, though H2 purity in the permeate stream increased. The use of sweep gas in the permeate stream to increase the driving force of gas permeation was beneficial as the H2 flow rate and the H2 recovery rate increased by a factor of 3. It is noteworthy to mention that though the ternary feed flow had only 27% H2 concentration, the permeate stream delivered CO and CO2 at very low concentrations, 0.8 and 0.14%, respectively. It was observed that the membrane selectivity in gas mixtures were 10–15% of the single gas selectivity, while permeation decreased with the gas composition (Single > Binary > Ternary). Nevertheless, increased temperature and sweep flow rate allowed the membrane to deliver a permeate stream in excess of 99% H2 purity and a lower CO concentration of 700 ppm, indicating the quality of these membranes for gas mixture separation.
Type
Publication
Journal of Membrane Science
